D/Aコンバータとは何か?基本原理・主な方式と特徴・用途をやさしく解説

近年の電子機器の多くは、内部でデジタル信号を扱っています。
一方で、現実世界で扱う物理量、例えば、音声、光、電圧、電流などはすべてアナログ信号です。
このギャップを埋めるために必要なのが「D/Aコンバータ」です。
D/Aコンバータは、デジタル信号(0と1の組み合わせ)をアナログ信号(連続的な電圧や電流)に変換する装置であり、オーディオ機器や制御システム、映像処理、通信機器など、多くの分野で不可欠なものです。
本記事では、D/Aコンバータの基本的な仕組みから代表的な回路方式、応用分野、技術動向まで、初心者の方にもわかりやすく解説します。
目次
1.D/Aコンバータとは
「D/Aコンバータ」(Digital to Analog Converter、DAC)は、デジタル信号をアナログ信号へと変換する装置です。
たとえば、マイクロコントローラやコンピュータで処理された数値データ(デジタル値)を、スピーカやモータなどのアナログデバイスを駆動できる電圧・電流に変換するために用いられます。
コンピュータやデジタル回路は、離散的な「ビット情報」を扱うことが得意ですが、現実世界では温度・音・光などが連続的に変化する信号として存在します。このため、デジタル制御された機器が現実の物理世界とやり取りするには、デジタルからアナログへの変換が欠かせません。
具体的な例を挙げると、音楽プレーヤーでは音声データをデジタル形式(PCMなど)で保持していますが、再生時にはD/Aコンバータによって電圧信号へ変換され、アンプを経由してスピーカから音が出ます。
また、産業用ロボットや自動車制御装置でも、センサからの情報をもとに制御信号を生成し、モータを滑らかに駆動する際にD/Aコンバータが使われています。
このように、D/Aコンバータはデジタル制御の出力段に位置し、現実世界とデジタル世界を結ぶ「変換ゲートウェイ」としての役割を担っています。
2.D/Aコンバータの基本原理
(1)デジタル信号とアナログ信号
デジタル信号は、一定のサンプリング周期で離散的に表された数値データです。
一方で、アナログ信号は時間とともに連続的に変化する物理量です。
D/Aコンバータは、これらの数値を対応する電圧値や電流値に変換し、必要に応じて平滑化することで、連続的なアナログ信号として出力します。この様子を図1に示します。

【図1 D/Aコンバータの基本原理】
図1において、0と1で構成されたデジタル信号は、D/Aコンバータを使用することによって波形のようなアナログ信号に変換できます。
(2)変換の仕組み
D/Aコンバータの基本的な動作は以下の手順で行われます。
- 入力データの取得: デジタル値(例:8ビット=0~255)を入力します。
- 重み付け電圧の生成: 各ビットの値に応じた電圧を加算します。
- 平滑化: 必要に応じてステップ状の出力をローパスフィルタで平滑化し、より滑らかなアナログ波形に近づけます。
例えば、8ビットD/Aコンバータで出力電圧範囲が0~5Vの場合、
入力値128は 5V × (128 / 255) ≈ 2.51V に対応します。
3.主な方式と特徴
D/Aコンバータにはいくつかの回路方式が存在し、それぞれ速度・精度・コストに特徴があります。
(1)抵抗ラダー型(R-2Rラダー方式)
R-2Rラダー方式は、最も一般的に用いられるD/Aコンバータの構成です。
この方式では、抵抗値Rと2Rを交互に組み合わせたラダー状のネットワークを用い、各ビットの値に応じて重みづけされた信号が合成され、アナログ出力が得られます。
構造がシンプルで高速な応答が可能という利点がありますが、一方で抵抗の精度に大きく依存するため、高分解能化が難しいという課題があります。
図2は、R-2Rラダー方式D/Aコンバータの回路の1例です。
図2において、抵抗値Rと2Rの抵抗が、はしごのように並べられています。オペアンプは、ラダー回路で合成された電流を電圧に変換するための電流-電圧変換回路として用いられ、出力電圧 Eo を得ます。E1~E4にはデジタル信号を入力します。
[※関連記事:オペアンプとは何か?機能・特性・使い方などの基礎知識をわかりやすく解説 ]
はしご型回路の特徴は、各接続点から見た合成抵抗が一定となるように構成できる点にあります。これにより、各ビットの寄与を2進数の重みとして扱いやすくなります。

【図2 抵抗ラダー型(R-2Rラダー方式)】
(2)重み付き抵抗型
重み付き抵抗型は、各ビットに異なる抵抗値を割り当て、その抵抗値によってビットの重みを直接反映させる方式です。最上位ビット(MSB)ほど低い抵抗値、最下位ビット(LSB)ほど高い抵抗値が設定されます。
構造が直感的で小規模なシステム設計に向いていますが、高ビット化を行うと抵抗値の比が極端になり、精密な抵抗が必要となるため実装が困難になるという欠点があります。
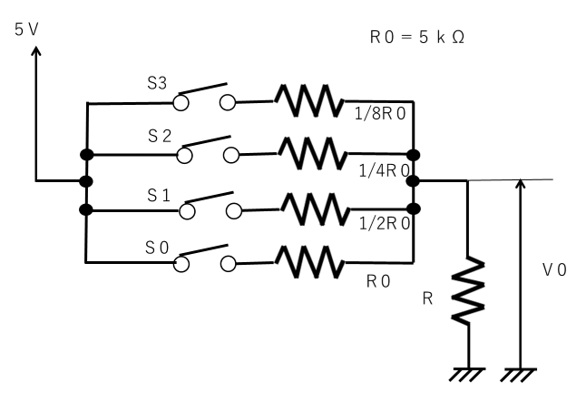
図3は、重み付き抵抗型D/Aコンバータの回路の1例です。

【図3 重み付き抵抗型D/Aコンバータの回路の1例】
図3において、図中の基準電圧と抵抗値の条件では、スイッチS0だけがオンのとき、抵抗Rに1mAの電流が流れます。同様に、スイッチS1がオンの時には、抵抗が1/2なので、電流は、2mA流れます。スイッチS2、スイッチS3では、それぞれ、4mA、8mA流れます。
ここで、複数のスイッチをオンした場合には、抵抗Rには、各スイッチに対応した電流の和が流れます。したがって、抵抗Rの両端に生じる電圧V0は、スイッチ入力(デジタル信号)に対応したアナログ信号となります。
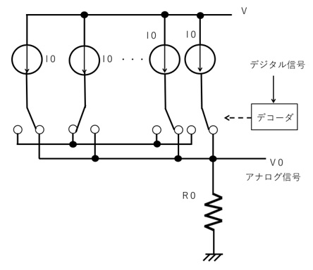
(3)電流ステアリング型
電流ステアリング型は、スイッチによって複数の電流源を制御し、それらの出力電流を合成してアナログ信号を生成する方式です。
この方法は非常に高速な応答と高帯域の動作が可能であり、高速通信機器やデータ伝送システムなどに広く利用されています。しかし、電流源同士のマッチング精度が求められるため、製造工程や設計の難易度が高いという点が弱点となります。

【図4 電流ステアリング型D/Aコンバータの概略図】
図4は、電流ステアリング型D/Aコンバータの概略図です。図4において、I0は電流源で、入力されたデジタル信号は、デコーダにより複数の電流源をスイッチする信号に変換され、電流を抵抗R0に流します。合成された電流は電流電圧変換されたアナログ信号出力となり、V0から取り出されます。
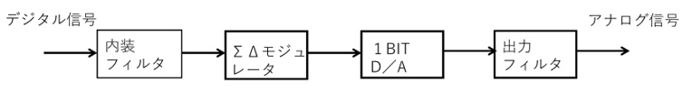
(4)Σ-Δ(シグマデルタ)型
Σ-Δ(シグマデルタ)型は、内部でオーバーサンプリングとノイズシェーピングを行い、1ビット信号を高周波で変調して出力する方式です。この手法により高精度かつ低ノイズのアナログ信号を得ることができるため、特にオーディオ機器など音質が重要視される分野で広く採用されています。
精度の高さが大きな特長ですが、高精度・低ノイズを得やすい一方で、広帯域・超高速用途には必ずしも向きません。

【図5 Σ-Δ(シグマデルタ)型D/Aコンバータの1例のブロック図】
図5は、Σ-Δ(シグマデルタ)型D/Aコンバータの1例のブロック図です。
図5において、内挿フィルタでオーバーサンプリングを行い、∑Δモジュレータでノイズシェーピングを行います。その後、1BIT D/Aコンバータと出力フィルタを通ってアナログ信号として出力されます。このフィルタには高い性能が要求されます。
4.D/Aコンバータの主要性能パラメータ
D/Aコンバータの性能は、主に以下の指標で評価されます。
(1)分解能(Resolution)
出力可能なアナログ値の段階数を示します。
nビットの分解能では、
段階数 = 2ⁿ
であり、例えば10ビットなら1024段階の出力が可能です。
分解能が高いほど微細な電圧変化を表現できます。
(2)直線性(Linearity)
理想的な変換曲線と実際の出力との差を表します。
DNL(Differential Non-Linearity)やINL(Integral Non-Linearity)などの指標で評価され、これが大きいと歪みが生じます。
(3)サンプリングレート(Sampling Rate)
1秒間に出力値を何回更新できるかを示す値です。
高速通信や映像処理には数百MSPS(Mega Samples per Second)以上が求められる場合もあります。
(4)セトリングタイム(Settling Time)
入力コードが変化した後、出力が最終値の所定誤差範囲内に収まるまでの時間を示します。高速制御や波形生成では重要な指標です。
5.D/Aコンバータの応用分野
D/Aコンバータの代表的な用途として、以下のようなものが挙げられます。
- オーディオ・音響機器:
音楽データはデジタル形式(PCMなど)で保存されますが、スピーカを駆動するためにはアナログ信号が必要です。D/Aコンバータはその変換を担い、音質に直接影響します。高級オーディオ製品では、ノイズ対策や高精度クロック制御を組み合わせ、極めて自然な音を再現します。 - 映像機器・ディスプレイ制御:
旧来のVGAインタフェースを備えた液晶モニタやプロジェクタでは、デジタル映像信号をRGBアナログ信号に変換して表示するためにD/Aコンバータが用いられていました。 - 産業用制御・ロボティクス:
モータ制御やアクチュエータ駆動では、デジタル制御信号をアナログ電圧または電流に変換して機器を制御します。制御系の安定性や応答性を確保するため、低ノイズで高精度なD/A変換が不可欠です。 - 通信システム:
変調器の出力や無線信号生成には、高速・高分解能のD/Aコンバータが使われます。特に5G・衛星通信分野では、数GHz帯域で動作するハイエンドD/Aコンバータが用いられます。
6.D/Aコンバータの技術動向
近年、半導体プロセスの進化により、D/Aコンバータは高精度化・高速化・低消費電力化の三方向で大きな進歩を遂げています。
通信分野では、5Gや衛星通信など広帯域信号を扱う用途において、高分解能かつ数GHzクラスで動作するD/Aコンバータが登場しており、高速データ変調やミリ波信号生成に利用されています。
また、IoTやポータブル機器向けには低電力型のΣ-Δ方式が普及しつつあります。これらは省エネルギー設計を重視しながらも、音響やセンサ制御などで高精度出力を実現します。
さらに、集積化・高機能化も大きな潮流です。近年では、A/Dコンバータ(ADC)やマイコン、信号処理回路を一体化した「ミックスドシグナルIC」が増え、内部補正機構による自動キャリブレーションで安定性と信頼性を高めています。
今後は、AIを活用して温度変化や経年劣化に応じた自己補正・最適化を行うD/Aコンバータの実用化も期待されています。このように、D/Aコンバータは単なる変換回路から、システム制御の中核を担う“知的アナログ出力デバイス”へと進化しつつあります。
7.おわりに
D/Aコンバータは、デジタル信号を現実世界で扱えるアナログ信号へ変換する、電子機器に欠かせない基盤技術です。その性能は、機器の品質や制御精度、さらには音や映像の再現性にも大きく影響します。方式や用途によって重視すべき特性は異なりますが、基本原理や各方式の特徴を理解することで、目的に応じた最適な選定・設計が可能になります。
今後も、音響、通信、制御、センシングなど幅広い分野において、D/Aコンバータはさらなる高性能化・高機能化が進み、電子システムを支える重要な技術として発展していくでしょう。
(日本アイアール株式会社 特許調査部 E・N)
【あわせて読みたい記事】
D/Aコンバータを理解するうえでは、反対方向の変換を担うA/Dコンバータとの違いもあわせて押さえておくと理解が深まります。ご興味のある方は、下記の記事もぜひご覧ください。
・「A/Dコンバータとは何か?仕組みと方式・性能指標・用途を基礎から学ぶ」



](https://engineer-education.com/wp/wp-content/uploads/2021/10/electric-circuit-dc0-150x150.png)
](https://engineer-education.com/wp/wp-content/uploads/2022/08/elearning_AC-circuit1_0-150x150.png)
](https://engineer-education.com/wp/wp-content/uploads/2021/10/Circuit-element0-150x150.png)




























